











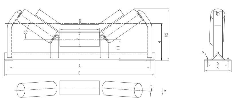
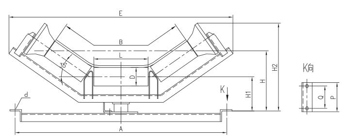
3.1 Trough idler (35°)


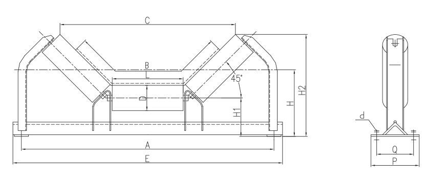
3.2 Trough idler (45°)


3.3 Forward-tile trough idler (35°)


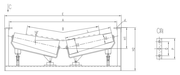
3.4 Transition idler (10°)


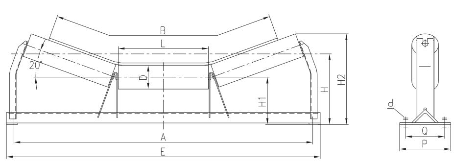
3.5 Transition idler (20°)


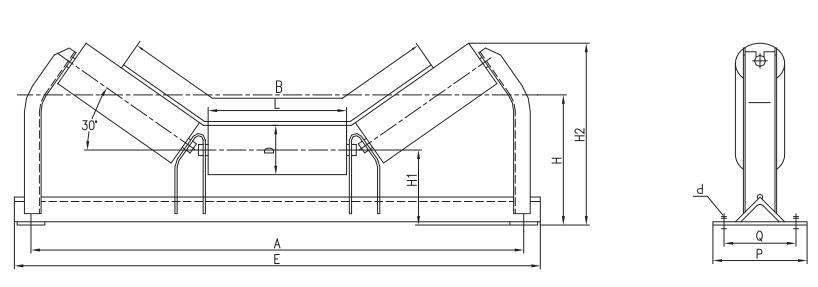
3.6 Transition idler (30°)


3.7 Buffer idler (30°)


3.8 Buffer idler (45°)


3.9 Upper friction self-aligning idler


3.10 Upper taper self-aligning idler


3.11 Upper friction flat self-aligning idler


3.12 Parallel upper idler


IV. Return idler
4.1 Parallel lower idler


4.2 V-shaped idler


4.3 V-shaped forward-tilt idler


4.4 Parallel comb idler


4.5 V-shaped comb idler


4.6 Lower friction self-aligning idler


4.7 Inversed V-shaped idler


4.8 Lower taper self-aligning idler


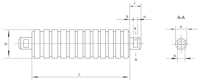
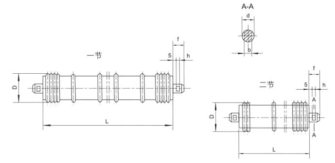
4.9 Screw idler


V. Roller of idler
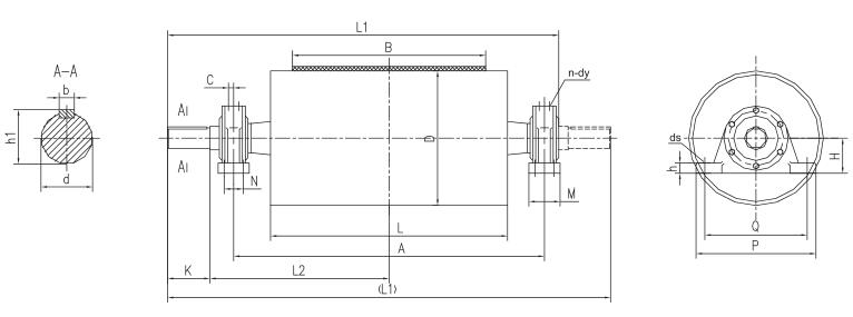
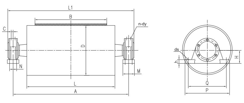
5.1 DT II general-type roller





5.2 DT II buffer roller



5.3 DT II comb roller



5.4 DT II screw roller



5.5 DT II upper taper self-aligning idler


5.6 DT II lower taper self-aligning idler


5.7 DT II friction self-aligning idler

